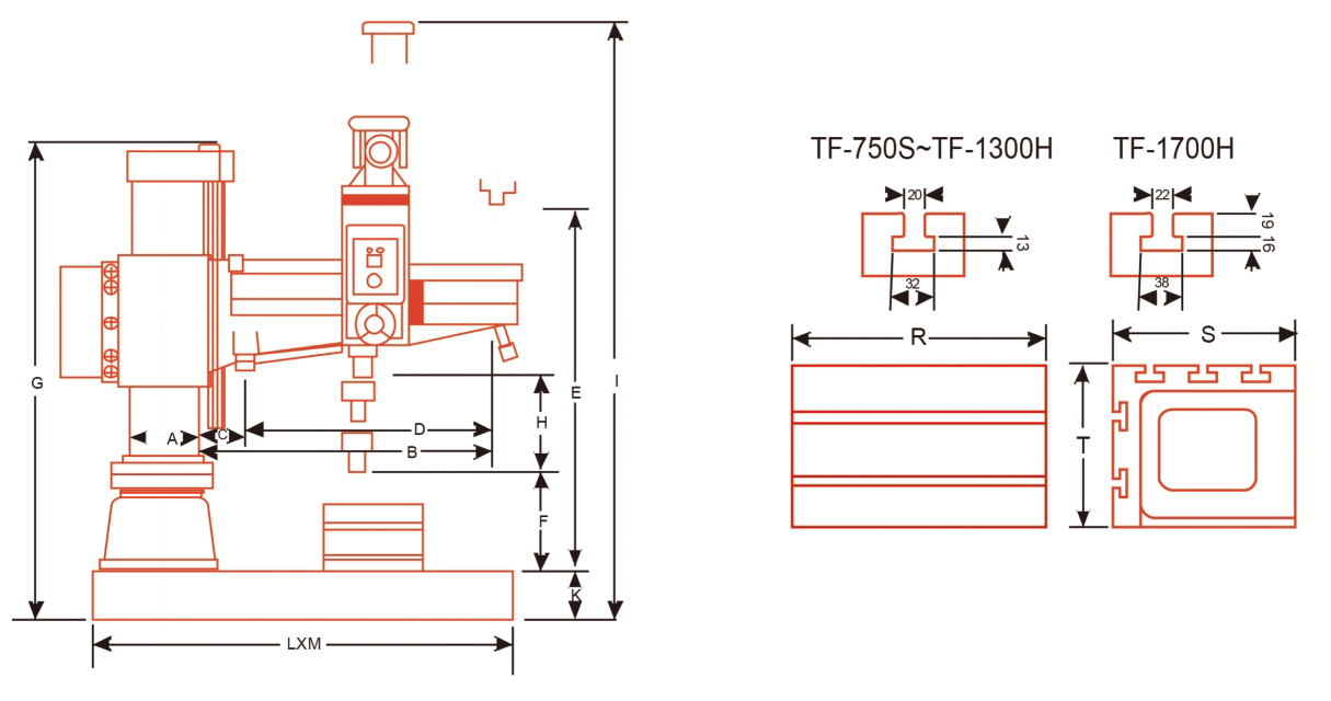
Capacity Drilling Steel >> ø60mm
Size of morse Taper >> MT5
Max. distance, column surface spindle center >> 1650mm
Horizontal Travel of Headtock >> 1300mm
Effective area of table(RxSxT) >> 800x540x400mm
產品介紹
特色(TF-1700H)
- 本機全由(FC-30)鑄鐵構成。
- 特傳動軸皆有高效安全保護裝置。
- 本機為精密油壓系統構成,方便操作,準確迅速。
- 油壓系統與電器系統,採分離式設計,確保供電系統安全。
- 主要傳動系統,皆採用渦輪&渦桿設計,省力,耐用,高效率。
| ITEM型式 MODEL | TF-1700H | |||
| Capacity 最大工作能量 | Drilling鑽孔 | Stell鋼 | 60 | |
| castiron鑄鐵 | 70 | |||
| Tapping攻牙 | Stell鋼 | 50 | ||
| castiron鑄鐵 | 60 | |||
| Boring搪孔 | Stell鋼 | 126 | ||
| castiron鑄鐵 | 180 | |||
| Spindle stroke 主軸上下行程 | H | 250 | ||
| Size of morse Taer 主軸孔莫氏推拔番號 | 5 | |||
| Spindle speed 主軸變速 | 30-1500(12) | |||
| Spindle Feeds 主軸進給範圍 | 0.05-0.306(6) | |||
| Column Diameter 立柱直徑 | A | 336 | ||
| Max.distance,column sarace spindel center立柱面至主軸中心最大距離 | B | 1650 | ||
| Min.distance,column sarace spindel center立柱面至主軸中心最小距離 | C | 360 | ||
| Horiontal Travel of Meadstock 主軸左右移動行程 | D | 1300 | ||
| Max.distance,base to spindel 主軸最大距離 | E | 1410 | ||
| Min.distance,base to spindel 主軸最小距離 | F | 344 | ||
| Overall height of column 機械全高 | G | 2440 | ||
| Machine height of column 機械最大高度 | I | 3030 | ||
| Dimensions of hase [L x H xK] 底座尺寸 | 2360 x940 x 230 | |||
| Effective area of table [ R x S x T ] 工作台有效區 | 800 x 540 x 400 | |||
| Spindle drive motor [HP] 主軸馬達 | 7.5HP 4P/12P | |||
| Arm elevation motor [HP] 旋臂驅動馬達 | 2HP | |||
| Coolant pump [HP] 冷卻馬幫浦 | 1/8HP | |||
| Oil motor [HP] 油壓馬達 | 1HP | |||
| Net weight -Approx [kg] | 3150kgs | |||
| Groos weight-Approx [kg] | 3250 kgs | |||
| Measurement [ L x W x H ] 裝箱尺寸 | 2850 x 1210 x 2540 | |||
| All specfications and designes are subject to change without notice. 本公司保留隨時修改上述規格之權利。 | ||||